Skip to content
Article No. 10316

Further accessories

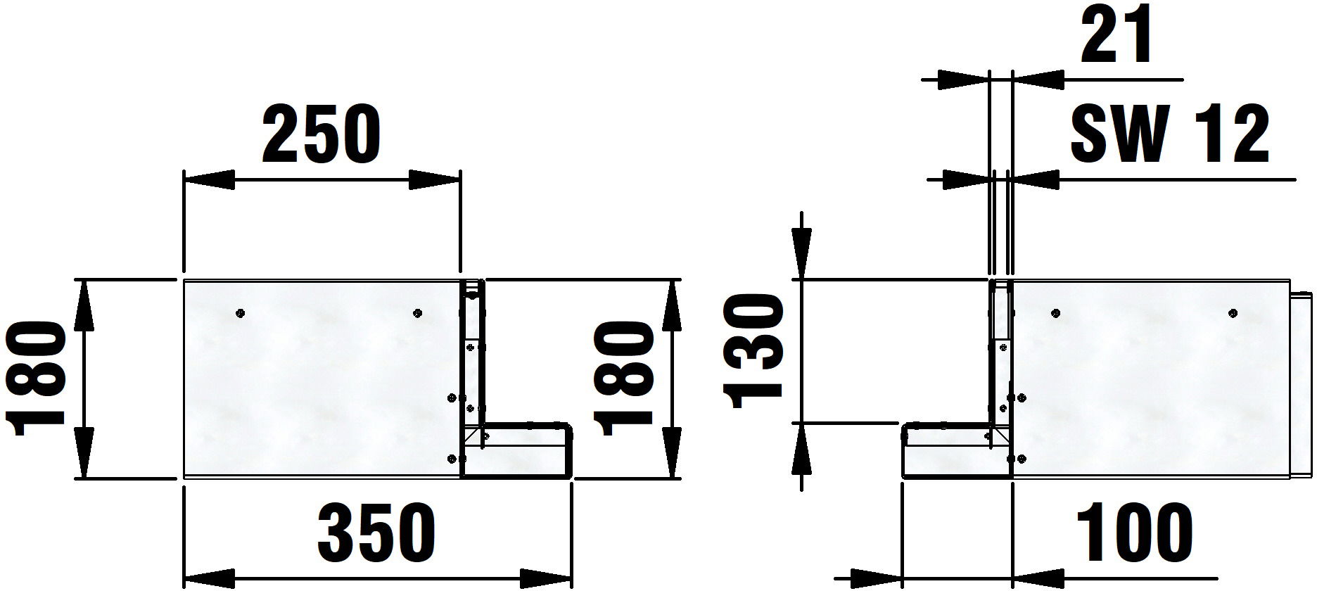
Corner element outside corner, type 180, neck height 130mm, asymmetric, stainless steel

Available from stock

Questions?

Our experienced planning team will be happy to help you.

Get in touch

Product image

Technical drawing

Drawing (CAD)

Technical information and metrics

Article No.
10316
Length
250 mm
Width
100 mm
Height
180 mm
Weight
4.43 kg
Material
Stainless steel 1.4301
Nominal size
100
Sales text
Corner element outside corner, SW 12 mm, neck height 130 mm, stainless steel, asymmetric, cl. A 15, with connector, STEELFIX SLOT 100 type 180, side length 0.25 m
Product description
STEELFIX SLOT 100 type 180, Corner element outside corner, slot width 12 mm, neck height 130 mm, side length 250 mm at channel neck, made of stainless steel CNS 1.4301, load class A 15, with connector as clamp-fit between channels and/or access units, item no. 10316
Packaging unit
-